
浸入式电加热器是石油、化工等行业广泛用于罐体、容器内流动、静止的液体、气体的加热。
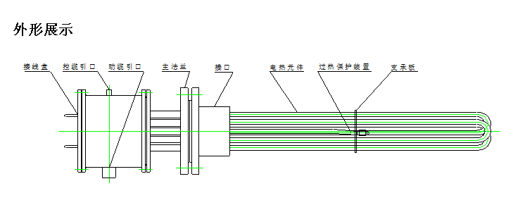
浸入式电加热器的发热部完全浸入介质,电气接线盒在罐体、容器外面,其特点是:
1、产生的全部热量100%传给介质,热效率极高。
2、电气接线盒制成隔爆结构,可在I区、Ⅱ区爆炸性场所安全工作。
3、防护等级达IP56,可在野外及海洋环境长期工作。
4、内部设置典型的测温点,可用电气控温装置检测加热器是否产生过热,可及时控制,以免损坏。
5、本公司制造的浸入式电加热器安全系数远高于国家规定要求,使用寿命长,绝缘性能好。
主要指标及设计参数
˜ 额定电压:660V、380V、220V……
˜ 标称功率:5、10……500KW
˜ 适用介质:所有液体和气体
˜ 防爆等级:电气接线盒ExdⅡCT4;电热元件ExeⅡ
˜ 进口温度:<650℃
˜ 出口温度:≤650℃
˜ 控温方式:温控器+继电开关型(或固态继电器)
温控器+PLC程控+继电开关型(或固态继电器)
温控器+可控硅
温控器+PLC程控+可控硅
温控器+单片机+可控硅(或继电器、固态继电器)
˜ 温控精度:±1℃、±2℃、±3℃
˜ 控温程序:固定整定值、多段阶梯型、函数型
˜ 温度通讯信号:RS485、RS232接口
˜ 接线盒内部高温度:<65℃、<85℃、<100℃
˜ Max 设计压力:<20MPa
˜ Max操作压力:<16MPa
˜ 浸入罐体长度:0.5米、1米、2米……5米
˜ 加热时间:0.5h、1h、2h……
˜ 加热元件外壳材质:321不锈钢、316L不锈钢、304不锈钢、1Cr18Ni9Ti不锈钢
˜ 接口法兰材质:碳钢、16Mn、321、304、316L
˜ 工作制:短期、阶段性、长期连续运行
˜ 连接法兰标准:注明标准代号
订货须知
˜提供罐体容、被加热介质名称、操作压力;
˜提供被加热介质的起始温度、终了温度、加热时间以及浸入长度;
˜现场电源容量、供电电压;
˜对加热器法兰的材质有何要求;
˜确定浸入式加热器的形式;
注:按本章“主要指标及设计参数”要求提出相应参数,本公司可根据技术参数免费为客户设计方案