一、用途:
SRY2-3型管状电加热器适用于封闭式的油箱中加热油。
二、特点:
SRY2-3型管状电加热器是在SRY2普通型管状电加热器的基础上,改进了它的接线装置及加热结构,采用三支加热管为一组,有效地降低了加热器的表面负荷,可直接替代SRY2-SRY4型加热器使用。
本电加热器是将弯曲成型的管状元件焊接在法兰上构成,因该加热器直接放在油中加热,热效率高,使用寿命长。其中1KW至4KW在300℃左右环境下工作,5KW至8KW适合在100℃左右环境下工作。

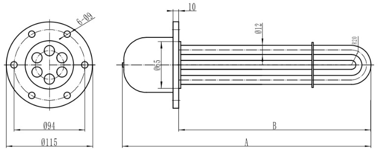
三、主要技术参数、规格、长度:
额定电压:单相220V 三相380V
工作介质:矿物油及水等散热效果较好的介质
表面发热功率:1KW-4KW1.5w/cm2 5KW-8KW2.5 w/cm2
工作压力:0.6Mpa
在选用时应根据加热介质实际尺寸确定加热器尺寸
表一
功率
A(外形尺寸)
B(浸入油中长度)
1KW
400
300
2KW
690
590
3KW
990
890
4KW
1280
1180
5KW
990
890
6KW
1160
1060
8KW
1520
1420
表二
型号
电压(V)
功率(KW)
外形尺寸(mm)
电热元件 支/台
重量
价格
A
B
SRY2-3-220/1
220V单相 并联
1
307
230
3
SRY2-3-380/1
380V三相 星型联接
1
307
230
3
SRY2-3-220/2
220V单相 并联
2
507
430
3
SRY2-3-380/2
380V三相 星型联接
2
507
430
3
SRY2-3-380/2
380V三相 三角形联接
2
507
430
3
SRY2-3-220/3
220V单相 并接
3
707
630
3
SRY2-3-380/3
380V三相 星型联接
3
707
630
3
SRY2-3-380/3
380V三相 三角形联接
3
707
630
3
SRY2-3-220/4
220V单相 并联
4
922
845
3
SRY2-3-380/4
380V三相 星型联接
4
922
845
3
SRY2-3-380/4
380V三相 三角形联接
4
922
845
3
SRY2-3-220/5
220V单相 并联
5
697
620
3
SRY2-3-380/5
380V三相 星型联接
5
697
620
3
SRY2-3-380/5
380V三相 三角形联接
5
697
620
3
SRY2-3-220/6
220V单相 并联
6
807
730
3
SRY2-3-380/6
380V三相 星型联接
6
807
730
3
SRY2-3-380/6
380V三相 三角形联接
6
807
730
3
SRY2-3-220/8
220V单相 并联
8
1007
930
3
SRY2-3-380/8
380V三相 星型联接
8
1007
930
3
SRY2-3-380/8
380V三相 三角形联接
8
1007
930
3
SRY2-3-220/10
220V单相 并联
10
1107
1030
3
SRY2-3-380/10
380V三相 星型联接
10
1107
1030
3
SRY2-3-380/10
380V三相 三角形联接
10
1107
1030
3
SRY2-3-220/12
220V单相 并联
12
1207
1130
3
SRY2-3-380/12
380V三相 星型联接
12
1207
1130
3
SRY2-3-380/12
380V三相 三角形联接
12
1207
1130
3
◆ 工作电压允许误差:不大于其额定值的1.1,外壳应接地。
◆ 工作环境:相对湿度不大于95%,无爆炸和腐蚀性气体
◆ 金属管材料:10钢管、304不锈钢
◆ 高工作温度:1KW-4KW为350℃,5KW-12KW为200℃
◆ SRY2-3型的工作压力小于0.6MPa
◆ SRY2-3的安装通径≥φ65
◆ SRY2-3的油电加热器可直接与SYR2及SYR4型油电加热器混用
使用维护及注意事项
1、外形尺寸图中尺寸“B”必须全部浸入油中(并定期检查)以免烧坏组件。被加热油应无腐蚀性。
2、SRY2-3型油电加热器法兰密封材料应根据不同加热介质及加热温度合理选用
3、本型号加热器按JB2379-78流动油标准设计,加热器表面负荷为2-3.8 w/cm2
4、 熔化沥青、石蜡等固态油类时应降低电压使用,等熔化后再升至额定电压。以防止热量集中降低元件使用寿命。
5、 发现管子表面有结炭时,必须除尽后再用,以免降低效率,甚至烧坏组件。
6、元件应存放在干燥处,若因长期放置而绝缘电阻降到低于1MΩ时,可在200℃左右的烘箱中干燥若干小时(或将组件低压通电数小时),即可恢复绝缘电阻。