一、SRY5(HRY10、HRY11、HRY12、HRY13)顶置角尺型油加热器用途:
该电加热器主要用于液压润滑的介质加热,也可用于加热无腐蚀性的气体。
二、SRY5(HRY10、HRY11、HRY12、HRY13)顶置角尺型油加热器特点:
1)该电加热器是顶置角尺式电加热器,可安装在油箱及容器顶板上,装拆、检修、更换方便。比装在油箱侧面时更安全可靠,消除了因连接法兰、密封垫可能出现漏油而导致加热器漏油的现象。不需要排放油箱油液即可抽换电加热器。省去了油箱侧面抽换电加热器的维修空间。
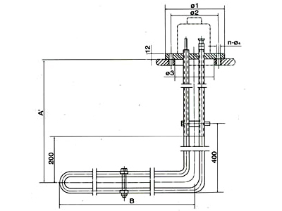
2)该电加热器的A尺寸,用户可因需要自定。表面负荷有多种规格可供选择,合理的选用可防止油液碳化、烧焦;安全、可靠,延长介质的使用寿命。其中SRY5-I型安装孔为φ65,SRY5-II型的安装孔为φ90,SRY5-III型安装孔为φ120,各种规格加热器的A.B尺寸可根据使用环境定制。
3)特殊电压功率电加热器可按照客户要求生产,并可根据实际情况在加热器上增加温控装置。
4)SRY5-I型电加热器因表面负荷高,不适用于在油液内加热使用,请各客户在选用用于油液内加热器时选用SRY5-II和SRY5-III型。
三、主要技术参数:
1、金属管状电热元件
额定电压:220V、380V
元件金属管允许高温度:170℃-400℃
被加热介质:矿物质、水
电热器功率:1-6(KW)
电加热器表面负荷:4.4/cm2 1.2w/c? 0.7w/c?
2、电加热器伸入箱体介质中电热管发热长度
SRY5-I
表面负荷3.1w/cm2----430-1300mm
表面负荷4.4w/cm2----300-900mm
SRY5-II
表面负荷1.2w/c?----280-1660mm
表面负荷4.4w/c?----500-2850mm
SRY5-III
表面负荷1.2w/c?----370-2210mm
表面负荷4.4w/c?----630-3780mm
SRY5-III 【HRY10】顶置角尺式电加热器参数
|
参数尺寸 |
电热管Φ mm |
电热管表面负荷 w/cm2 |
功率 kw |
电压 V |
发热区尺寸 B′mm |
Φ1 |
Φ2 |
Φ3 |
n-Φ4 |
|
|
HRY10·1-A/B |
16 |
0.7 |
1 |
380/220 |
500 |
200 |
170 |
120 |
16-9 |
|
|
HRY10·2-A/B |
2 |
950 |
|
|||||||
|
HRY10·3-A/B |
3 |
1400 |
|
|||||||
|
HRY10·4-A/B |
4 |
1900 |
|
|||||||
|
HRY10·5-A/B |
5 |
2380 |
|
|||||||
|
HRY10·6-A/B |
6 |
2850 |
|
SRY5-III 【HRY11】顶置角尺式电加热器参数
|
参数尺寸 |
电热管Φ mm |
电热管表面负荷 w/cm2 |
功率 kw |
电压 V |
发热区尺寸 B′mm |
Φ1 |
Φ2 |
Φ3 |
n-Φ4 |
|
|
HRY11·1-A/B |
16 |
1.2 |
1 |
380/220 |
280 |
200 |
170 |
120 |
16-9 |
|
|
HRY11·2-A/B |
2 |
560 |
|
|||||||
|
HRY11·3-A/B |
3 |
840 |
|
|||||||
|
HRY11·4-A/B |
4 |
1100 |
|
|||||||
|
HRY11·5-A/B |
5 |
1380 |
|
|||||||
|
HRY11·6-A/B |
6 |
1660 |
|
SRY5-II 【HRY12】顶置角尺式电加热器参数
|
参数尺寸 |
电热管Φ mm |
电热管表面负荷 w/cm2 |
功率 kw |
电压 V |
发热区尺寸 B′mm |
Φ1 |
Φ2 |
Φ3 |
n-Φ4 |
|
|
HRY12·1-A/B |
12 |
0.7 |
1 |
380/220 |
630 |
150 |
120 |
80 |
16-9 |
|
|
HRY12·2-A/B |
2 |
1260 |
|
|||||||
|
HRY12·3-A/B |
3 |
1900 |
|
|||||||
|
HRY12·4-A/B |
4 |
2520 |
|
|||||||
|
HRY12·5-A/B |
5 |
3150 |
|
|||||||
|
HRY12·6-A/B |
6 |
3780 |
|
SRY5-II 【HRY13】顶置角尺式电加热器参数
|
参数尺寸 |
电热管Φ mm |
电热管表面负荷 w/cm2 |
功率 kw |
电压 V |
发热区尺寸 B′mm |
Φ1 |
Φ2 |
Φ3 |
n-Φ4 |
|
|
HRY13·1-A/B |
12 |
1.2 |
1 |
380/220 |
370 |
150 |
120 |
80 |
16-9 |
|
|
HRY13·2-A/B |
2 |
740 |
|
|||||||
|
HRY13·3-A/B |
3 |
1100 |
|
|||||||
|
HRY13·4-A/B |
4 |
1470 |
|
|||||||
|
HRY13·5-A/B |
5 |
1840 |
|
|||||||
|
HRY13·6-A/B |
6 |
2210 |
|
备注:A′电热管发热部份中心线至油箱顶面距离尺寸(mm)该尺寸由用户根据使用要求自定。

1、规格和外形尺寸:见图表1及图1(加热器表面负荷1.2W/cm2)
型号
电压(V)
功率(KW)
外形尺寸(mm)
电热元件 支/台
重量
价格
B发热区长度
SRY1-1-1-220
220V单相 并联
1
360
3
SRY1-1-2-380
380V三相 星型联接
1
360
3
SRY1-1-2-220
220V单相 并联
2
750
3
SRY1-1-2-380
380V三相 星型联接
2
750
3
SRY1-1-3-220
220V单相 并联
3
1090
3
SRY1-1-3-380
380V三相 星型联接
3
1090
3
SRY1-1-4-220
220V单相 并联
4
1460
3
SRY1-1-4-380
380V三相 星型联接
4
1460
3
2、规格和外形尺寸:见图表2及图1(加热器表面负荷3.5W/cm2)
|
型号 |
电压(V) |
功率(KW) |
外形尺寸(mm) |
电热元件 支/台 |
重量 |
价格 |
|
B发热区长度 |
||||||
|
SRY1-2-1-220 |
220V单相 并联 |
1 |
200 |
3 |
|
|
|
SRY1-2-1-380 |
380V三相 星型联接 |
1 |
200 |
3 |
|
|
|
SRY1-2-2-220 |
220V单相 并联 |
2 |
300 |
3 |
|
|
|
SRY1-2-2-380 |
380V三相 星型联接 |
2 |
300 |
3 |
|
|
|
SRY1-2-3-220 |
220V单相 并联 |
3 |
400 |
3 |
|
|
|
SRY1-2-3-380 |
380V三相 星型联接 |
3 |
400 |
3 |
|
|
|
SRY1-2-4-220 |
220V单相 并联 |
4 |
500 |
3 |
|
|
|
SRY1-2-4-380 |
380V三相 星型联接 |
4 |
500 |
3 |
|
|
|
SRY1-2-5-220 |
220V单相 并联 |
5 |
630 |
3 |
|
|
|
SRY1-2-5-380 |
380V三相 星型联接 |
5 |
630 |
3 |
|
|
|
SRY1-2-6-220 |
220V单相 并联 |
6 |
750 |
3 |
|
|
|
SRY1-2-6-380 |
380V三相 星型联接 |
6 |
750 |
3 |
|
|
◆ 工作环境:相对湿度不大于95%,无爆炸和腐蚀性气体
◆ 金属管材料:10钢管、304不锈钢
◆ 高工作温度:SRY1-1(1.2W/cm2)型为400℃ SRY1-2(3.5W/cm2)型为300℃
◆ SRY1型的工作压力小于0.6MPa
◆ SRY1的安装通径≥φ80
使用维护及注意事项
1、外形尺寸图中尺寸“B”必须全部浸入油中以免烧坏组件。被加热油应无腐蚀性。
2、SRY1(1.2W.cm2)型主要用于润滑油、矿物油等低燃点,防止油高温碳化场合
3、 熔化沥青、石蜡等固态油类时应降低电压使用,等熔化后再升至额定电压。以防止热量集中降低元件使用寿命。
4、 发现管子表面有结炭时,必须除尽后再用,以免降低效率,甚至烧坏组件。
5、组件应存放在干燥处,若因长期放置而绝缘电阻降到低于1兆欧时,可在200℃左右的烘箱中干燥若干小时(或将组件低压通电数小时),即可恢复绝缘电阻。