产品介绍:
一、用途:
SRY6系列带护套式电加热器用于液压,润滑装置加热液压和润滑油,也可用于加热无腐蚀性的气体或液体。
二、特点:
1、本电加热器有加热芯子和护套管组成,加热芯子用管状电热元件作为热源,护套管采用薄型不锈钢制成,它散热面积较大,传热快,接线端装置部分分为普通型(采用铁制拉伸杯子型罩壳)和特殊型(采用螺栓式隔爆型装置罩壳密封),特殊型具有达到防爆标志dIICT4.防护等级IP65系列标准的要求。
2、电加热器与油箱容器体采用法兰连接,护套将加热芯子与被加热油液隔离,在维修电加热器时,不需要放掉油箱中的油液,仅需抽出加热芯子,更换一个新的加热芯子即可,维修方便。
3、在设计时应考虑护套与热加油液接触面积,使油液不会因加热温度过高而局部碳化,该型号加热器只适用于导热油或受热效果较好的油液与介质内加热使用。
产品参数:φ63.5
型号
SRY6-1(HRY1)
SRY6-2(HRY2)
SRY6-3(HRY3)
电压
护套管表面功率
电热管表面功率W/cm2
外形尺寸mm
电压
护套管表面功率
电热管表面功率
外形尺寸mm
电压
护套管表面功率
电热管表面功率
外形尺寸mm
L
L1
L
L1
L
L1
1KW
220
1.4
1.25
440
360
380
1.4
1.25
440
360
2KW
380
1.0
0.8
1200
1120
220
2.0
1.75
590
510
380
2.0
1.75
590
510
3KW
220
2.1
1.9
790
710
380
2.1
1.9
790
710
4KW
380
1.8
1.6
1200
1120
220
2.2
2
1000
920
380
2.2
2
1000
920
5KW
220
2.3
2
1200
1120
380
2.3
2
1200
1120
6KW
380
2.8
2.4
1200
1120
220
2.8
2.4
1200
1120
8KW
380
3.5
2.8
1370
1300
220
2
2.8
1370
1300
V
w/cm2
V
w/cm2
w/cm2
V
w/cm2
w/cm2
订货须知:型号HRY2,电压220V ,功率3KW 电加热器,标记为:电加热器HRY2-220V/3
三、主要技术参数:
额定电压: 单相220V 三相380V
表面发热功率:≤3W/cm2
传热温度: ≤300℃
工作介质: 矿物油
工作压力: ≤0.8Mpa
加热器安装尺寸: φ81mm
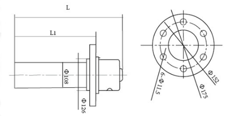
SRY6-4.5.6.7(HRY4、HRY5、HRY6、HRY7)型护套式加热器φ108

一、用途:
SRY6-4型、5型、6型、7型护套型电加热器主要用于液压润装置加热液压油和润滑油,也可用于加热无腐蚀性的气体。
二、结构:
SRY6-4型、5型、6型、7型,电加热器护套管直径为108mm,壁厚为5mm无缝钢管,加热芯子采用三支电热管为一个加热体,接线装置护罩采用不锈钢保护,能有效地保护接线装置的安全。
三、特点:
本电加热器加装护套后其加热面积大,传热快,能有效的防止被加热介质的碳化,因电加热器与箱体采用法兰对接,加热器与加热介质隔离,在维护时比较方便,修理时仅需抽出加热芯子,更换一个新的加热器即可。
HRYY带圆管护套式电加热器规格、外形主要尺寸
SRYY6(HRYY)
电压
(V)
表面功率
(w/cm2)
L
(mm)
L1
(mm)
重量
(kg)
价格
1KW
380
1.40
445
350
2.5
2KW
380
1.50
795
700
4.8
3KW
380
1.52
1245
1150
6.5
HRY4、HRY5带圆管护套式电加热器规格、外形主要尺寸
SRY6-4(HRY4)
SRY6-5(HRY5)
电压
(V)
表面功率
(w/cm2)
L
(mm)
L1
(mm)
价格
电压
(V)
表面功率
(w/cm2)
L
(mm)
L1
(mm)
价格
3KW
380
1.18
900
800
220
1.18
900
800
4KW
380
1.18
1100
1000
220
1.18
1100
1000
5KW
380
1.18
1400
1300
220
1.18
1400
1300
6KW
380
1.18
1600
1500
220
1.18
1600
1500
HRY6、HRY7带圆管护套式电加热器规格、外形主要尺寸
SRY6-6(HRY6)
SRY6-7(HRY7)
电压
(V)
表面功率
(w/cm2)
L
(mm)
L1
(mm)
价格
电压
(V)
表面功率
(w/cm2)
L
(mm)
L1
(mm)
价格
2KW
380
0.69
950
850
220
1.18
950
850
3KW
380
0.67
1400
1300
220
1.18
1400
1300
4KW
380
0.69
1800
1700
220
1.18
1800
1700
5KW
380
0.70
2200
2100
220
1.18
2200
2100
四、主要技术参数:
额定电压: 单相220V 三相380V
表面发热功率:4型5型≤1.8W/cm2 6型7型≤0.7W/cm2
传热温度: ≤300℃
工作介质: 矿物油
工作压力: ≤0.8Mpa
加热器安装孔: ≥φ114mm
注:选用时应根据加热介质的实际情况及设备的安装尺寸,表面发热功率尽可能选用每平方厘米≤0.7W。接线时配电控制箱至电加热器应用合适的高温导线连接。