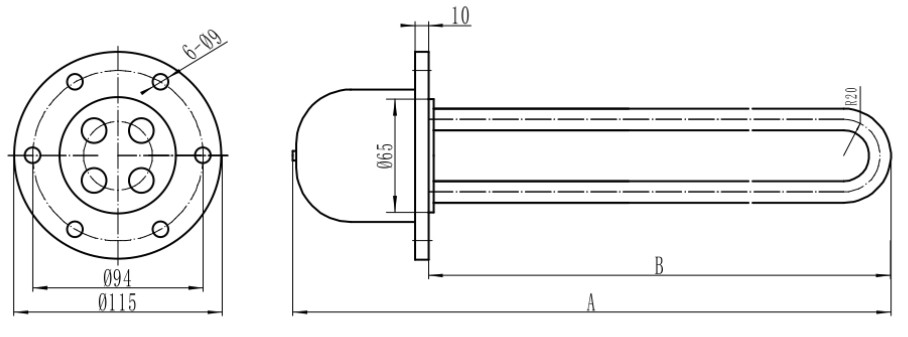
系列干烧电加热器主要用于大型水箱、油箱、油槽、液压装置等的加热。将φ76的钢管焊接在箱体容器上,干烧电加热器直接插入钢管内进行加热,由于钢管和箱体容器采用焊接形式,所以无需考虑液体的渗漏问题。管状电热元件作为热源,钢管将电热元件和被加热液体隔离,在更换电加热器时,不需要放掉箱体容器内的液体,直接抽出电加热器更换一个新的即可。维修方便。 采用三支电热元件,有效降低电热元件表面负荷,延长使用寿命。

规格及技术参数
型号
电压(V)
功率(KW)
外形尺寸(mm)
电热元件 支/台
重量
价格
A
B
SJY2-1-1-220
220V 单相 并联
1
307
230
2
SJY2-1-1-380
380V 单相 串联
1
307
230
2
SJY2-1-2-220
220V 单相 并联
2
507
430
2
SJY2-1-2-380
380V 单相 并联
2
507
430
2
SJY2-1-3-220
220V 单相 并联
3
707
630
2
SJY2-1-3-380
380V 单相 并联
3
707
630
2
SJY2-1-4-220
220V 单相 并联
4
922
845
2
SJY2-1-4-380
380V 单相 并联
4
922
845
2
SJY2-1-5-220
220V 单相 并联
5
697
620
2
SJY2-1-5-380
380V 单相 并联
5
697
620
2
SJY2-1-6-220
220V 单相 并联
6
807
730
2
SJY2-1-6-380
380V 单相 并联
6
807
730
2
SJY2-1-8-220
220V 单相 并联
8
1107
930
2
SJY2-1-8-380
380V 单相 并联
8
1107
930
2
规格及技术参数
型号
电压(V)
功率(KW)
外形尺寸(mm)
电热元件 支/台
重量
价格
A
B
SJY2-2-1-380
380V 三相 星型联接
1
307
230
3
SJY2-2-2-380
380V 三相 星型联接
2
507
430
3
SJY2-2-2-380
380V 三相 三角型联接
2
507
430
3
SJY2-2-3-380
380V 三相 星型联接
3
707
630
3
SJY2-2-3-380
380V 三相 三角型联接
3
707
630
3
SJY2-2-4-380
380V 三相 星型联接
4
922
845
3
SJY2-2-4-380
380V 三相 三角型联接
4
922
845
3
SJY2-2-5-380
380V 三相 星型联接
5
697
620
3
SJY2-2-5-380
380V 三相 三角型联接
5
697
620
3
SJY2-2-6-380
380V 三相 星型联接
6
807
730
3
SJY2-2-6-380
380V 三相 三角型联接
6
807
730
3
SJY2-2-8-380
380V 三相 星型联接
8
1107
930
3
SJY2-2-8-380
380V 三相 三角型联接
8
1107
930
3
◆ 工作电压允许误差:不大于其额定值的1.1倍,外壳应有效接地。
◆ 工作环境:相对湿度不大于95%,无爆炸和腐蚀性气体。
◆ 金属管材:304不锈钢。
◆ 好工作温度:SJY2型为120℃。
◆ SJY2型的安装通径≥φ65
使用维护及注意事项: