主要适用于完全挤压部件。由几个带有降温系统连接的加热器组成。根据应用要求,该主要部件在布局和数目上能被并成一个系统。由于挤压圆柱筒完全被覆盖。有一个统的温度变化。再扩大了热福射面。而使得效能提高。又可消除因挤压而导致的摩擦热。根据生产所需不同的温度,由几个连接而成的带状加热器组成。用Y2紫铜散热器连接,然后用一个可单独固定的冷却外署安装。可用风扇连接盒和空气出口装置安装,该带状加热器可单独替换.加热器能承受的高温度5oo℃,是目前国内外挤出机,注塑机料简理想的加热冷却装置之一.推荐此款加热器用于对温控要求非常高的机械.
|
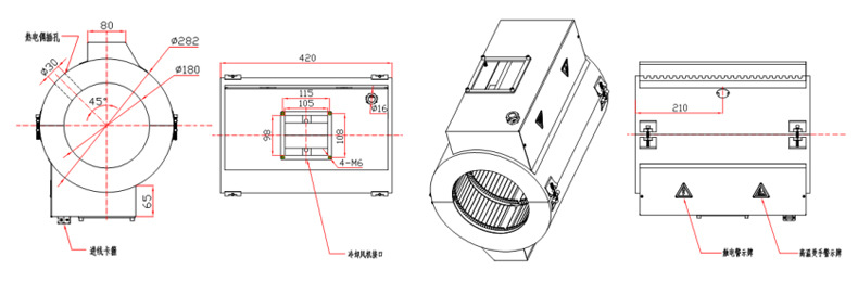
风冷陶瓷加热器 |
FTC-不带散热片 |
|
|
|
FQTC--带陶瓷散热片 |
|
|
|
|
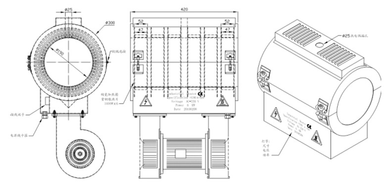
FTTC-带紫铜散热片 |
|
|
|
|
FTTC-N -带铜镀镍散热片 |
|
|
|
|
风冷铸铝加热器 |
|
|
|
二. 规格参数
|
型号 |
机型 |
分区 |
尺寸(mm) |
电压(V) |
功率(W) |
主要技术指标 |
|
FTTC-Φ230X134 |
双螺杆51/105 |
1区 |
Φ230X134 |
380 |
3500 |
1.使用条件:环境温度-20~+60℃, 相对温度<80% 2.泄漏电流:<0.5MA 3.绝缘电阻:≥5MΩ 4.接地电阻:<0.1Ω 5.耐压:1500V, 1分钟无击穿现象 6.耐温程度:500-800℃ 7.功率偏差值:+5%-10% |
|
FTTC-Φ200X200 |
2区 |
Φ200X200 |
380 |
3600 |
||
|
FTTC-Φ185X210 |
3区 |
Φ185X210 |
380 |
3600 |
||
|
FTTC-Φ165/Φ180 |
4区 |
Φ165/Φ180 |
380 |
2800 |
||
|
FTTC-Φ240X265 |
双螺杆55/110 |
1区 |
Φ240X265 |
380 |
8000 |
|
|
FTTC-Φ200X130 |
2区 |
Φ200X130 |
380 |
2500 |
||
|
FTTC-Φ200X195 |
3区 |
Φ200X195 |
380 |
4000 |
||
|
FTTC-Φ175/Φ190 |
4区 |
Φ175/Φ190 |
380 |
3000 |
||
|
FT(Q)TC-Φ265X290 |
双螺杆65/132 |
1区 |
Φ265X290 |
380 |
9000 |
|
|
FT(Q)TC-Φ230X145 |
2区 |
Φ230X145 |
380 |
3000 |
||
|
FT(Q)TC-Φ230X245 |
3区 |
Φ230X245 |
380 |
5000 |
||
|
FT(Q)TC-Φ190X240 |
4区 |
Φ190X240 |
380 |
4000 |
||
|
FT(Q)TC-Φ320X310 |
双螺杆80/156 |
1区 |
Φ320X310 |
380 |
12000 |
|
|
FT(Q)TC-Φ290X290 |
2区 |
Φ290X290 |
380 |
8000 |
||
|
FT(Q)TC-Φ260X265 |
3区 |
Φ260X265 |
380 |
8000 |
||
|
FT(Q)TC-Φ240/Φ195 |
4区 |
Φ240/Φ195 |
380 |
4000 |
||
|
FT(Q)TC-Φ240/Φ200 |
5区 |
Φ240/Φ200 |
380 |
4000 |
||
|
FTTC-Φ390X245 |
双螺杆92/188 |
1区 |
Φ390X245 |
380 |
9000 |
|
|
FTTC-Φ365X310 |
2区 |
Φ365X310 |
380 |
10000 |
||
|
FTTC-Φ340X300 |
3区 |
Φ340X300 |
380 |
8000 |
||
|
FTTC-Φ315X490 |
4区 |
Φ315X490 |
380 |
13000 |
||
|
FTTC-Φ285X485 |
5区 |
Φ285X485 |
380 |
12000 |
||
|
FTTC-Φ65X165 |
单螺杆25 |
Φ65X165 |
230 |
1000 |
||
|
FTTC-Φ75X220 |
单螺杆30 |
Φ75X220 |
230 |
1500 |
||
|
FTTC-Φ90X280 |
单螺杆45 |
Φ90X280 |
230 |
2200 |
||
|
FTTC-Φ120X325 |
单螺杆65 |
Φ120X325 |
230 |
4500 |
||
|
FTTC-Φ140X420 |
单螺杆75 |
Φ140X420 Φ150X420 |
230 |
5000 |
||
|
FT(Q)TC-Φ150X420 |
单螺杆90 |
220 |
6000 |
|||
|
FT(Q)TC-Φ175X460 |
单螺杆100 |
Φ175X460 |
220 |
7000 |
||
|
FT(Q)TC-Φ210X530 |
单螺杆120 |
Φ210X530 |
220 |
10000 |
||
|
FTTC-Φ260X600 |
单螺杆150 |
Φ260X600 |
220 |
12000 |
||
|
可按客户要求定制,请参考订购指南 |
||||||
订购指南:
* 订货时*好提供机械图纸或草图。
风冷陶瓷加热器(不带散热片)

风冷陶瓷加热器(带陶瓷散热片)
风冷陶瓷加热器(带铜散热片)